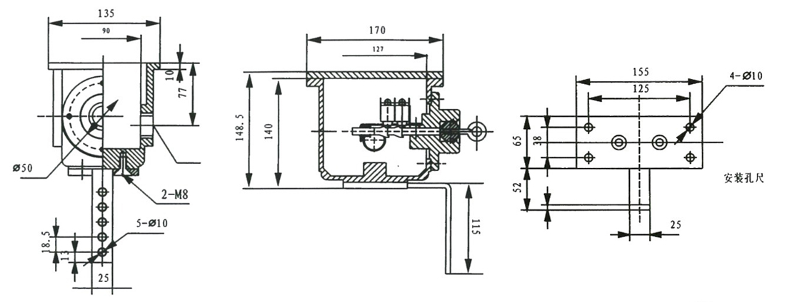
KJT-SL型纵向撕裂检测器
- 产品系列:KJT-SL型
- 负载电流:AC380V 5A,DC24V 5A
- 触点方式:常开1.常闭1;常开2. 常闭2.(订货时请注明)
- 复位方式:手动
- 电器寿命:>10万次
- 防护等级:IP65/IP67
凯基特KJT-SL型纵向撕裂检测器是用于对皮带进行可靠保护的昂贵设备。检测器可在皮带出现撕裂、断裂,或重要的尖锐物体划破皮带时,向监控人员提供报警信号或关闭输送机。撕裂检测器成对安装在传送带两侧,由两段钢丝绳连接(钢丝绳为覆塑外套护层)。一端永久固定在支撑托架上以防止绳子丢失,另一端连接在撕裂开关的弹簧球上。两段钢丝绳在皮带下面形成一个闭合回路,当物体或撕裂的皮带接触到一条或两条钢丝时,弹簧球被拉出底座,撕裂开关发出警报信号或停机信号。事故处理完后,将弹簧球重新装入底座,撕裂开关取消警报信号。检测器提供了一种简便且有效的方式,为输送皮带可能出现的损坏提供可靠和稳定的报警及停机保护。尽管检测器的原理简单,但它在各种恶劣环境下发挥了重要作用,坚固的壳体和重载结构加上简单的安装方式,使得检测器在任何恶劣环境下都能正常工作。

| 环境温度 | -30℃~+50℃ |
| 相对湿度 | 不小于85% |
| 最大行程 | 10mm |
| 动作力 | 70-100N |
| 触点数量 | 1个常开,1个常闭(可根据需要增加2组常开;2组常闭) |
| 触点容量 | AC380V/5A |
| 复位方式 | 手动 |
| 可靠性 | >10万次 |
| 防护等级 | IP65/IP67 |
| 重量 | 5Kg |






