| 参数与型号 | KJTTBH10系列 | KJTTBH20系列 | KJTTBH30系列 | KJTTBH40系列 | |
| 光轴数 | 16、24至160 | 8、10至160 | 4、6至160 | 4、6至160 | |
| 光轴距 | 10mm | 20mm | 30mm | 40mm | |
| 适合小保护物体 | φ15mm | φ25mm | φ35mm | φ45mm | |
| 保护幅宽 | 光轴间距×(光路数-1) | ||||
| 检测范围 | A系列:0-3m;B系列:0-6m;C系列:0-12m;D系列:0-20m | ||||
| 电源电压 | DC24V±10% | ||||
| 功耗 | <8W | ||||
| 响应时间 | 3-32ms | ||||
| 输出 | 模拟量 | 1-5VDC 或4-20mA | |||
| 通讯输出 | RS485 MODBUS协议RTU二进制模式 | ||||
| 辅助输出 | 输出模式 | 继电器无源触点输出 | |||
| 输出状态 | 常开或常闭输出状态 | ||||
| 触点容量 | 2A/250V、30VDC | ||||
| 保护 | 具有输出短路保护功能 | ||||
| 指示灯 | 发射器 | 黄灯亮、电源接通 | |||
| 接收器 | 红绿双色指示灯,未遮光时(绿色),遮光时(红色) | ||||
| 环境温度 | -25-+70°摄氏度(注意不可结露、结冰) | ||||
| 数码管显示※ | 显示光轴遮挡位置,显示范围0-G0 | ||||
| 耐光环境 | 太阳光:10000Lx,白织灯:3000 Lx | ||||
| 环境温度 | -25-+70°摄氏度(注意不可结露、结冰) | ||||
| 环境湿度 | 35-95%RH | ||||
| 抗振动 | 频率:10-55Hz,振幅:0.75mm,在X、Y、Z各方向2小时 | ||||
| 抗冲击 | 加速度300m/s,在X、Y、Z各方向2小时 | ||||
| 绝缘电阻 | AC1000V,50/60Hz,1分钟 | ||||
| 介电强度 | DC500V,20MΩ | ||||
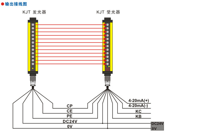
| 连接方式 | 配专用连接电缆,发光器5芯,受光器9芯 | ||||
| 壳体材料 | 外壳:铝合金 端盖:ABS工程塑料 支架:冷轧钢板 | ||||
| 防护结构 | IP65 | ||||


