光电开关是通过把光强度的变化转换成电信号的变化来实现控制的。凯基特光电开关产品种类齐全,漫反射式,镜反射式,对射式,圆柱形,方形,槽型,继电器输出等。凯基特标准型光电开关产品种类齐全,漫反射式,镜反射式,对射式,远距离型,智能型,继电器输出型,抗干扰性强,性能稳定,全面满足您需求。
南京凯基特电气有限公司生产的接近开关可完全替代图尔克、欧姆龙、倍加福等进口接近开关品牌。

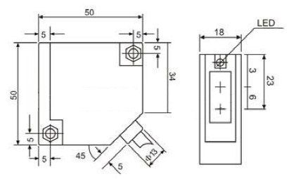
| 产品型号 | KJT-FS50 | ||
| 反射方式 | 漫反射式 | 反射板式 | 对射式 |
| 检测距离 | 0.3/0.5/1.5m | 3/5m | 5/10/30m |
| 光源 | 红外线LED(880nm) | ||
| 输出方式 | NPN/PNP NO | ||
| 电源电压 | 10…30VDC | ||
| 消耗电流 | ≤25mA | ||
| 响应时间 | ≤8.2ms | ||
| 回差范围 | 5…20% | ||
| 重复精度 | ≤3% | ||
| 负载电流 | ≤200Ma | ||
| 压降 | ≤2.5V | ||
| 输出指示 | 黄色LED | ||
| 保护回路 | 浪涌、逆极性、短路保护 | ||
| 环境湿度 | 35-95% | ||
| 环境温度 | -15-55℃ | ||
| 防护等级 | IP67 | ||
| 外壳材料 | PC/ABS | ||
| 接线方式 | 2M PVC线缆 | ||





