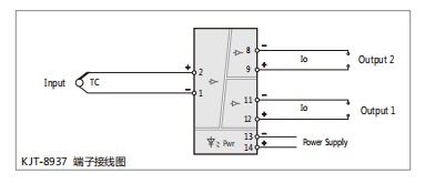
接收热电偶或毫伏信号输入,经过隔离变送输出标准的直流信号至控制系统或其它仪表。智能型的热电偶输入温度变送器,可以通过PC机和控制软件编程设定输入类型和量程范围。并可对输出信号的零点和满度进行校验。一路输入,两路输出。直流电源供电方式,输入-输出-电源各通道之间隔离。标准的35mmDIN导轨卡式安装。可拔插的接线插头端子,弹簧压紧连接。可以与单元组合仪表及DCS、PLC 等系统配套使用,广泛用于工业生产过程的各度检测和控制系统。

● 供电电源
供电电压范围:20~30VDC
额定供电电压:24VDC
电流消耗(24VDC供电时):<45mA
● 输 入
(可以通过 PC 机及软件编程设定 )
热电偶: K;E;S;B;R;T;N;W;J 等
温度量程范围: 根据连接的传感器类型(参见量程表)
可选毫伏信号输入:±80mV 范围
最小毫伏量程:5mV
● 输 出
输出电流:4~20mA;其它指定电流
输出电压:1~5V;其它指定电压
负载电阻:4~20mA 输出时, ≤350Ω(出厂默认,可指定负载)
● 综合参数
冷端温度误差:±1℃
冷端温度补偿范围:-20℃~+60℃(补偿电阻已装在仪表内部)
温度漂移:0.01%F.S./℃
响应时间:< 0.4s
隔离能力:输入-输出-电源之间 1.5KV,1min,50Hz
绝缘电阻:输入-输出-电源之间 ≥100MΩ / 500VDC
工作环境温度:-20℃~+60℃
储存环境温度:-40℃~+80℃
机壳材质 / 防护等级:阻燃ABS/IP20
外形尺寸:16×116×110(mm)



