KJT-ST系列基本型光电开关671/674
- ●:保护构造IP65
- ●:响应频率达2kHZ
- ●:标配四线,常开/常闭可切换
- ●:标准采用耐曲折导线
- ●:电源逆接,输出短路保护
- ●:M3螺丝轻松安装
直接替代相关型号进口产品,并具有以下优势:
■能耗低(小于17ma);
■1KHz---3KHz高速响应;
■自动引脚极性保护,接线错误也不会损坏器件本身;
■2mil镀金引脚,长期抗氧化,确保系统稳定
■内置放大器和数字转换电路,通一输出CMOS标准电平,方便信号采集,可直接与多种负载匹配;
■动作模式如光时ON和遮光时ON可通过“L”端与“+”端连接进行切换,运用此功能可以方便构成适合小控制系统;

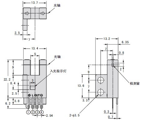
| 检测距离 | 5mm(凹槽宽度) |
| 标准检测物体 | 不透明体2×0.8mm |
| 应差距离 | 0.025mm |
| 光源(发光波长) | GaAs红外发光二极管(940nm) |
| 显示灯×1 | 遮光时灯亮(红色) |
| 电源电压 | DC5V--DC24V±10% 脉动(p-p)10%以下 |
| 静态消耗电流 | 20mA以下(NPN型) |
| KJT-ST676 控制输出 | 受光时指示灯亮,NPN集电极无输出;遮光时指示灯灭,NPN集电极开路输出DC5V--24V 、 100mA以下, 残留电压0.5V以下(负荷电流100mA时)、残留电压0.3V以下(负荷电流40mA时) |
| KJT-ST676 控制输出 | 受光时指示灯不灭,NPN集电极无输出;遮光时指示灯亮,NPN集电极开路输出DC5V--24V 、 100mA以下, 残留电压0.5V以下(负荷电流100mA时)、残留电压0.3V以下(负荷电流40mA时) |
| 自动保护 | 内置极性自动保护电路,引线接错时传感器本身不会损坏,但不工作. |
| 响应频率 | 1KHz--3kHz |
| 使用环境照度 | 受光面照度 荧光灯:1000 1x以下 |
| 环境温度 | 工作时:-25~+55℃ 保存时:-30~+80℃ |
| 环境湿度 | 工作时:5~85%RH 保存时:5~95%RH |







