KJT-FJ18系列光电速度开关
- 反射方式:漫反射 反射板式 对射式
- 光源:红外线LED(880nm)
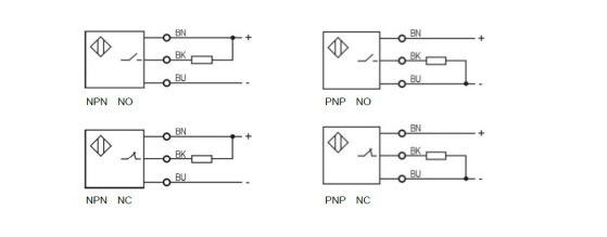
- 输出方式:NPN PNP AC(二线)
- 电源电压:12…24VDC 90-250VAC
- 响应时间:≤1ms
- 重复精度:≤5%
凯基特光电式速度传感器,是自主研发、生产的多功能型光电式速度传感器产品,融光电转换电路、放大电路、逻辑处理电路和驱动输出电路为一体。与国外同类产品比较具有功能更多且价格低的优势,与国内同类产品比较具有响应快、精度高、质量稳定的特点。适应于机器人、自动化生产线、车床、机械手及机械臂组件、食品加工设备、印刷设备及其它工业机械设备等。

| 外形规格 | M18*61.5 |
| 反射方式 | 漫反射 反射板式 对射式 |
| 检测距离 | 30cm 50cm 70cm 1M 1.5M 2M 2M 5M 10M |
| 光源 | 红外线LED(880nm) |
| 输出方式 | NPN PNP AC(二线) |
| 电源电压 | 12…24VDC 90-250VAC |
| 响应时间 | ≤1ms |
| 重复精度 | ≤5% |
| 负载电流 | ≤100mA |
| 压降 | ≤2.5V |
| 消耗电流 | ≤25mA |
| 保护回路 | 浪涌、逆极性保护 |
| 输出指示 | 黄色LED |
| 环境温度 | -15…55℃ |
| 环境湿度 | 35-95% |
| 防护等级 | IP67 |
| 外壳材料 | ABS/PC 铜镀镍 |
| 接线方式 | 2米 PVC 电缆 |






