KJT-C208四路防爆电接点压力表
- ●:100标准仪表安装
- ●:控制点现场任意组态
- ●:采样速率: 5次/秒
- ●:4位LED数码管显示
- ●:4~20mA标准信号输出
- ●:防护等级: IP66
- ●:四路控制点继电器输出
- ●:供电电源可选24VDC、220VAC
- ●:防爆标志: ExdII CT6 Gb

智能压力控制器是集压力测量、显示、输出、控制于一体的智能数显压力测控产品。该产品为全电子结构,前端采用带格力膜充油压阻式压力传感器,由高精度的A/D转换,经微处理器运算处理,现场显示,并输出-路模拟量和四路开关量。
该智能数字压力控制器使用灵活,操作简单,调试容易,安全可靠。广泛应用于水电,自来水,石油,化工,机械,液压等行业,对流体介质的压力进行现场测量显示和控制。
| 型普 | 说明 | |
| KJT-C208 | 防爆电接点压力表 | |
| 输出方式 | 202 | 单路继电器输出 |
| 204 | 双路继电器输出 | |
| 206 | 三路继电器输出 | |
| 208 | 四路继电器输出 | |
| 2 | 常开 | |
| 3 | 常开+常闭 | |
| 变送输出 | 0 | 无输出 |
| 2 | 4-20mA输出 | |
| 精度等级 | 1 | 1% |
| 2 | 0.5% | |
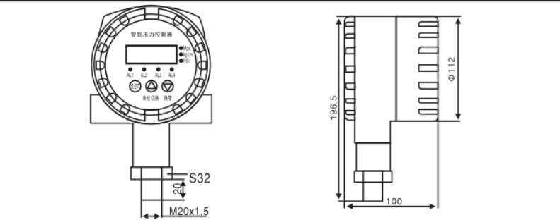
| 过程连接 | A | 20*1.5 |
| B | G1/2 | |
| D | 其他订货是注明 | |
| 供电方式 | W | DC24V电池供电 |
| A | AC220V供电 | |
| 测量范围 | -100kPa-60MPa | 客户自选 |





