D12A型转速传感器 齿轮测速传感器
- 电源电压:8-30VDC
- 电流消耗:适合大15mA
- 输出信号Vo:推挽式输出Imax=+/-20mA,Ulow<2.5V,Uhigh>Usupply-3.5V
- 频率范围:5-20KHz
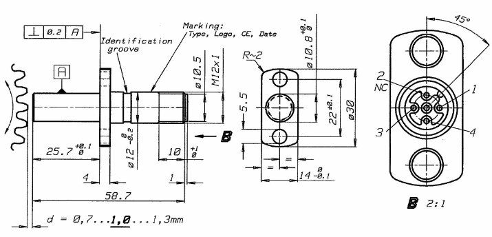
- 空气间隙:模数0.5:0.1to0.3mm;模数1:0.1to1.5mm;模数2:0.1to2.0mm
- 抗震性:5gn(5…2000Hz范围内)
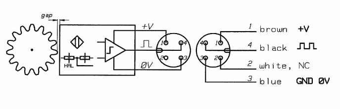
凯基特齿轮转速传感器核心部件是采用磁敏电阻作为检测的元件,再经过全新的信号处理电路令噪声降低,功能更完善。通过与其它类型齿转速传感器的输出波形对比,所测到转速的误差极小以及线性特性具有很好的一致性.感应对象为磁性材料或导磁材料,如磁钢、铁和电工钢等。当被测体上带有凸起(或凹陷)的磁性或导磁材料,随着被测物体转动时,传感器输出与旋转频率相关的脉冲信号,达到测速或位移检测的发讯目的。

| 电源电压 | 8-30VDC |
| 电流消耗 | 适合大15mA |
| 输出信号Vo | 推挽式输出Imax=+/-20mA,Ulow<2.5V,Uhigh>Usupply-3.5V |
| 频率范围 | 5-20KHz |
| 空气间隙 | 模数0.5:0.1to0.3mm;模数1:0.1to1.5mm;模数2:0.1to2.0mm |
| 抗震性 | 5gn(5…2000Hz范围内) |
| 抗冲击 | 50gn(20ms期间内,半正弦波) |
| 防护等级 | 传感器头部:IP68;电缆衔接部分和连接器:IP67 |
| 温度范围 | -40°C…+125°C |






