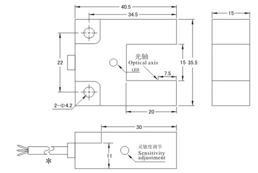
凯基特槽型光电开关其实对射式光电开关的一种,又被叫做U型光电开关,是一款红外线感应光电产品,由红外线发射管和红外线接收管组合而成,而槽宽则就决定了感应接收型号的强弱与接收信号的距离,以光为媒介;

| 产品型号 | KJT-FU15A |
| 反射方式 | 对射式 |
| 检测距离 | 15mm |
| 输出方式 | NPN/PNP NO |
| 电源电压 | 10…30V DC/20-250V AC |
| 工作电流表 | 200mA/400mA/3A |
| 响应时间 | ≤3ms |
| 指向角 | 3°..20° |
| 电压降 | 1.5V |
| 极性保护 | 有 |
| 短路保护 | 有 |
| 工作环境照度 | 白炽灯≤3000lux,太阳光≤10000lux |
| 环境温度 | -25-+55℃ |
| 外壳材质 | ABS/PBT |





