M4超小型激光光电开关(漫反射式)
- 螺纹尺寸:M4X0.5
- 检测距离:漫反射:Sn=70mm
- 检测光点大小:0.8mm
- 工作电压:10-30VDC
- 空载电流:<9mA
- 适合大负载电流:150mA
- 防护等级:IP 67
凯基特激光传感器(激光光电开关)是利用激光技术进行测量的传感器。它由激光器、激光检测器和测量电路组成。激光传感器是新型测量仪表,它的优点是能实现无接触远距离测量,速度快,精度高,量程大,抗光、电干扰能力强;

| 螺纹尺寸 | M4X0.5 |
| 检测距离 | 漫反射:Sn=70mm |
| 检测光点大小 | 0.8mm |
| 工作电压 | 10-30VDC |
| 空载电流 | <9mA |
| 适合大负载电流 | 150mA |
| 漏电流 | <0.01mA |
| 电压降 | <1V |
| 开关频率 | 120Hz |
| 响应时间 | 0.1mS /0.1mS |
| 开关滞后 | <15%(sr) |
| 重复精度 | <1.0% (sr) |
| 防护等级 | IP 67 |
| 工作温度 | -5℃—+50℃ |
| 温度漂移 | <10%(sr) |
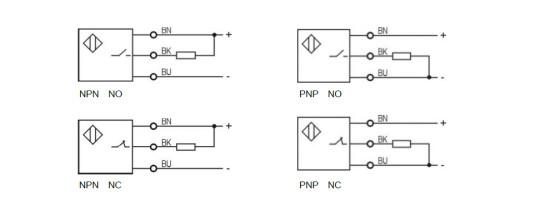
| 短路保护 | Yes |
| LED灯显示 | Yes |
| 外壳材料 | 不锈钢 塑料 |
| 连接方式 | 出线式 |





