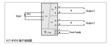
直流毫伏信号输入。经过隔离传送,输出所需的直流毫伏信号。直流电源供电方式,输入-输出-电源各通道之间隔离。采用标准的35mmDIN导轨卡式安装。可拔插的接线插头端子,弹簧压紧连接。

● 供电电源
供电电压范围:20~30VDC
额定供电电压:24VDC
电流消耗(24VDC供电时):< 22mA (1入1出)
< 33mA (1入2出)
● 输 入
输入信号:0~100mV
最小量程:3mV
输入阻抗:>20MΩ
● 输 出
输出信号:0~100mV
输出阻抗:<10Ω
输出纹波:< 5mVp-p
● 综合参数
标准精度:±0.1%
温度漂移:0.01%F.S./℃
响应时间:< 10ms
隔离能力:输入-输出-电源之间 1.5KV,1min,50Hz
绝缘电阻:输入-输出-电源之间 ≥100MΩ / 500VDC
工作环境温度:-20℃~+60℃
储存环境温度:-40℃~+80℃
机壳材质 / 防护等级:阻燃ABS/IP20
外形尺寸:16×116×110(mm)



