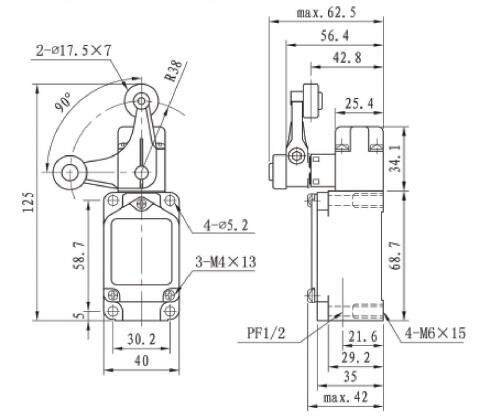
KJT47CSZK-05无线限位开关
- ■:使用470-510MHZ 2.4GHZ标准无线电频段进行连接
- ■:免许可全局的无线电连接
- ■:通信范围可达1000米
- ■:具坚固之一体铸造铝合金外壳高机械强度
- ■:具耐油、防水和防压结构
● 无需挖沟架线,线缆、人力成本和工程周期大大缩减;
● 简化工程设计,减少设计人员的工作量(特别是线缆走向);
● 受桥梁、河流、山川等自然地势影响,线缆不能任意铺设;
● 按照增加检测点,迅速组建私有数据采集专网,扩容灵活方便;
● 故障出现时,检测点较集中,消除以往沿线路巡查是所遇到的繁琐事务。

| 额定电压 | 15A 250VAC |
| 操作速度 | 1mm~2m/s |
| 操作频率 | 机械:120 次/分 |
| 电气:30 次/分 | |
| 接点电阻 | 15m Ω以下 |
| 绝缘电阻 | 100Ω以上(在 500VDC以下) |
| 耐电压 | 不连续端子间:1,000VAC,50、60Hz持续一分钟 |
| 端子和接地间:2,200VAC,50、60Hz,持续一分钟 | |
| 端子和无载电流金属之间:2,200VAC,50/60Hz持续一分钟 | |
| 振动 | 动作耐久:10~55Hz,1.5mm 双振幅 |
| 冲击 | 机械耐久:1000m/s2以上 (约100G以上) |
| 误动作耐久:300m/s2 以上(约30G以上) | |
| 使用周温 | -10~+80 ℃ |
| 湿度 | 最大 95%RH |
| 使用寿命 | 机械:1,500万次以上 电气:50万次以上 |
| 防护等级 | IEC:IP66 |
| 重量 | 约258g |

| 型号 | KJT47CSZK-01 | KJT47CSZK-02 KJT47CSZK-03 | KJT47CSZK-04 | KJT47CSZK-07 | KJT47CSZK-08 | KJT47CSZK-09 | KJT47CSZK-06 KJT47CSZK-66 KJT47CSZK-68 KJT47CSZK-69 | KJT47CSZK-05 |
| OF最大 | 2720g | 2720g | 1000g | 1420g | 1360g | 2720g | 150g | 1200g |
| RF最小 | 910g | 910g | 227g | 280g | 227g | 910g | - | - |
| PT最大 | 1.7mm | 1.7mm | 20° | 20° | 20° | 1.7mm | 28mm | 227g |
| OT最小 | 6.4mm | 5.6mm | 70° | 70° | 70° | 4mm | - | 55° |
| MD最大 | 1mm | 1mm | 10° | 10° | 10° | 1mm | - | 35° |
| OP | 34 ± 0.8mm | 44.8± 0.8mm | - | - | - | 44.5 ± 0.8mm | - | 90 ± 10 ° |



