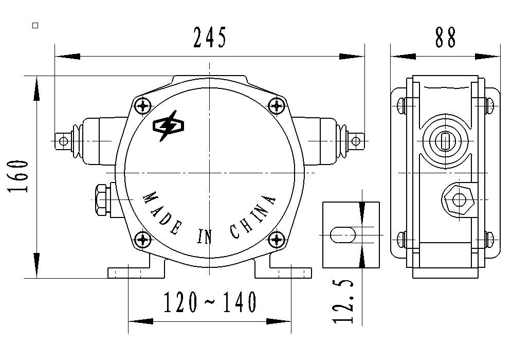
KJT-LSB-I型双向平衡拉绳开关
- 产品系列:KJT-LSB-I型
- 负载电流:AC380V 5A,DC24V 5A
- 触点方式:常开1.常闭1;常开2. 常闭2.(订货时请注明)
- 复位方式:自动
- 电器寿命:>10万次
- 防护等级:IP65/IP67
凯基特双向平衡拉绳开关 LJT-LSB-I系列广泛应用于钢铁、水泥、电厂、矿山等具有带式输送机的厂矿,该产品安装在胶带输送机两侧,是用于胶带输送机紧急事故停机的一种保护开关,在开关操作距离内任何一点拉动钢丝绳,切断运行电路使全线停机,实现对胶带机及人生安全的保护。
工作原理:
当胶带运输现场发生紧急事故时,拉动系在吊耳上的钢丝绳,是机内的滑块与开关作用,发出停机信号。 松开钢丝绳后开关自动复位。

| 环境温度 | -30℃~+50℃ |
| 相对湿度 | 不小于85% |
| 动作角度 | 30° |
| 极限角度 | 60° |
| 动作力 | 70-100N |
| 触点数量 | 1个常开,1个常闭(可根据需要增加2组常开;2组常闭) |
| 触点容量 | AC380V/5A |
| 复位方式 | 自动 |
| 可靠性 | >10万次 |
| 防护等级 | IP65/IP67 |
| 重量 | 2.5Kg |




●开关平衡得按在机架的固定支架上;
●将钢丝绳系在两端的拉环上,每侧绳不超过40m(有坡度时应当缩短);
●拉绳压力应适宜,以确保开关可靠复位;
●拉绳沿胶带平行方向设置,每10m加一吊环。
●钢丝绳按用户所需规格,厂方可代购。



