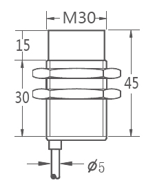
M30非埋式防爆接近开关
- 产品系列:KJT-NJ-30
- 安装方式:非埋式
- 检测距离:15mm
- 工作电压:6-12VDC
- 输出方式:NAMUR NC
- 环境温度:-25℃~+70℃
- 出线方式:2M 本安线缆
凯基特本安NAMUR接近开关主要应用于需要防爆的场合设备和环境,如煤矿、石化等, NAMUR信号为世界上应用最广泛的本质安全的数字量输入和频率量输入的标准信号。其最早为德国标准( DIN19234 )。后成为欧洲标准( EN 50227,DIN EN 60947-5-6 )。NAMUR信号为无源2线制,标称8VDC供电,1mA 和3mA开关信号。NAMUR型传感器均为本质安全防爆仪表,通常与隔离式安全栅配合使用。

| ● 能检测各种金属物体 | -- |
| ● 具有浪涌、过载、短路、逆极性保护功能 | 直流两线常闭 |
| ● 外壳材料:铜镀镍 | -- |
| ● 防护等级:IP67 | -- |
| ● 环境温度:-25℃~+70℃ | -- |

| 产品型号 | KJT-NJ-30 |
| 安装方式 | 非埋式 |
| 检测距离 | 15mm |
| 工作环境温度 | -25℃~+70℃ |
| 外形规格 | M30*1.5-40 |
| 工作电压 | 6-12VDC |
| 涟波 | - |
| 空载电流 | >2.2mA(OFF)< 1.1mA(ON) |
| 最大负载电流 | <10mA |
| 电压降 | - |
| 开关频率 | 150HZ |
| 迟滞 | <15(Sr) |
| 过载保护电流 | - |
| 短路保护 | - |
| 重复精度 | <3.0%(Sr) |
| 温度漂移 | <10%(Sr) |
| 响应时间 | 0.5ms |
| 连接方式 | 2M 本安线缆 |
| 防护等级 | IP67 |
| 感应面材质 | PBT |
| 外壳材质 | 铜镀镍 |
| EMC | RFI>3V/M / EFT>1KV / ESD>4KV(contact) |
| 冲击/震动 | IEC 60947-5-2,Part7.4.1 / IEC 60947-5-2,Part7.4.2 |





