M12交流 塑料圆柱形接近开关
- 产品型号:KJT-J12M
- 安装方式:埋入式
- 检测距离:1/2/3/mm
- 外形规格:M8*45
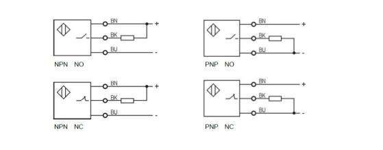
- 输出方式:NPN/PNP NO/NC
- 电源电压:10…30VDC
凯基特标准型接近开关,动作可靠,性能稳定,频率响应快,应用寿命长,抗干扰能力强,广泛地应用于机床、冶金、化工、轻纺和印刷等行业。产品外形尺寸,线缆,检测距离均可定制。

| ● 能检测各种金属物体 | 直流两线常开 |
| ● 具有浪涌、过载、短路、逆极性保护功能 | 直流两线常闭 |
| ● 外壳材料:镍铜合金 | 直流三线NPN常开 |
| ● 防护等级IP67(IEC) | 直流三线NPN常闭 |
| ● 环境温度:-25℃~+70℃ | 直流单线PNP常开 |
| 直流三线pnp常闭 | |
| 交流两线常开 | |
| 交流两线常闭 | |
| 交直流两线常开 | |
| 交直流两线常闭 |

| 产品型号 | KJT-J12M |
| 安装方式 | 埋入式 |
| 检测距离 | 1/2/3/mm |
| 工作环境温度 | -25℃~+70℃ |
| 外形规格 | M8*45 |
| 工作电压 | 10-36VDC / 90-250VAC / 20-250VAC |
| 涟波 | <10% |
| 空载电流 | <10mA |
| 最大负载电流 | 200mA |
| 电压降 | ≤1.5V |
| 开关频率 | 1000Hz |
| 迟滞 | <15(Sr) |
| 过载保护电流 | 220mA |
| 短路保护 | YES |
| 重复精度 | <3.0%(Sr) |
| 温度漂移 | <10%(Sr) |
| 响应时间 | 0.5ms |
| 连接方式 | 2M PVC引线 |
| 防护等级 | IP67 |
| 感应面材质 | PBT |
| 外壳材质 | 铜镀镍 |
| EMC | RFI>3V/M / EFT>1KV / ESD>4KV(contact) |
| 冲击/震动 | IEC 60947-5-2,Part7.4.1 / IEC 60947-5-2,Part7.4.2 |





