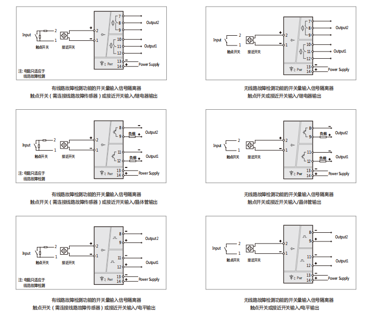
开关量输入信号隔离器
适用于接近开关(符合DIN19234标准的NAMUR接近开关)或触点开关。通过隔离,以继电器触点(或晶体管、电平信号)输出方式传送至控制系统或其它仪表。可选择有线路故障检测功能的开关量输入信号隔离器和没有线路故障检测功能的开关量输入信号隔离器。有输入线路故障检测功能的开关量输入信号隔离器,当检测到有线路故障时,仪表面板上的线路故障LED指示灯亮红色。(说明:当用到线路检测功能时,如果需要使用机械触点开关作为输入设备,必须在输入回路中连接线路故障传感器,以避免开关量输入信号隔离器将机械触点开关正常的通断误当做输入回路的断路或短路故障。)当选择没有线路故障检测功能的开关量输入信号隔离器,仪表面板上没有线路故障指示灯。

● 供电电源
供电电压范围:20~30VDC
额定供电电压:24V DC
电流消耗(24VDC供电,继电器输出):<25 mA
● 输入
触点开关或符合DIN 19234的NAMUR接近开关。
开路电压:8V±0.5V
开关阈值:1.2~2.1mA
回滞:0.2mA (典型值)
线路故障时,断路电流:< 0.1mA; 短路电流:> 4mA
● 输出
输出类型: ① 继电器触点;② 晶体管;③电平信号
(订货时请选择输出类型)
① 继电器触点
触点特性:24VDC,2A;
负载类型:电阻性负载
响应时间:≤10ms
② 晶体管
外部供电电压:≤40V
驱动输出电流:≤40mA
晶体管集电极输出 高电平: VCC;低电平:≤2.5V
晶体管发射极输出 高电平: VCC-2.5V;低电平:≤ 0.5V
③电平信号
高电平:4.5V ~ 5.5V
低电平:≤0.5V
高电平驱动能力:≤20mA
● 输入 / 输出特性说明 (同相控制)
仪表出厂的设定状态为输入与输出同相,即输入开关吸合,输出继
电器也吸合(如果是晶体管输出,则晶体管导通;如果是电平信号
输出,则输出为高电平信号)。仪表面板上的输出状态指示灯亮。
● 线路故障检测
本仪表出厂设定为:当检测到输入线路故障时,仪表面板上的故障
检测指示灯亮,输出继电器触点为松开状态 ( 如果是晶体管输出,
则晶体管不导通;如果是电平信号输出,则输出为低电平信号)。
● 仪表指示灯
POWER
LED 为输入线路故障指示灯(灯亮为线路故障发生时)
OUT为输出状态指示灯(灯亮为继电器触点吸合时)
为电源指示灯(灯亮为仪表通电)
(注: 如果选择是没有故障检测功能的仪表,则没有LED指示灯。)
● 综合通用参数
隔离能力:输入-输出-电源之间 1.5KV,1min ,50Hz
绝缘电阻:输入-输出-电源之间 ≥100MΩ / 500VDC
工作环境温度:-20℃~+60℃
储存环境温度:-40℃~+80℃
环境湿度范围:5~95%RH (无冷凝)
外壳材料:
防护等级:IP 20
外形尺寸:16×116×110(mm)
适用于连接的现场设备:
开关或符合DIN19234的NAMUR接近开关。



