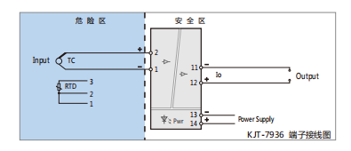
适用于现场危险区的热电偶、热电阻或者其它毫伏信号输入,经过隔离,转换为标准的直流信号输出到安全区的控制系统或其它仪表。是智能型的温度变送隔离安全栅,有USB接口,可以通过PC机和控制软件编程设定输入的热电偶类型及量程范围,并可对输出信号的零点和满度进行校验。单通道,一路输入,一路输出。该隔离安全栅采用独立的直流电源供电,输入-输出-电源各通道之间隔离。

● 供电电源
供电电压范围:20~30VDC
额定供电电压:24VDC
电流消耗(24VDC供电时):<30mA
● 从危险区输入
(可以通过PC机及软件编程设定)
热电偶:K;E;S;B;R;T;N;W;J 等
热电阻:Pt100 、Cu50 等
可选毫伏信号输入:±80mV
:5mV
● 向安全区输出
输出电流:4~20mA; 其它指定电流
输出电压:1~5V;其它指定电压
负载电阻:
● 综合通用参数
冷端补偿精度:±1℃ (补偿范围 -20℃~+60℃)
(冷端补尝电阻已安装在该隔离安全栅内部)
温度漂移:0.01%F.S./℃
响应时间:< 0.4s
隔离能力:输入-输出-电源之间 1.5KV,1min,50Hz
绝缘电阻:输入-输出-电源之间 ≥100MΩ / 500VDC
外形尺寸:16×116×110(mm)
工作环境温度:-20℃~+60℃
● 安全防爆认证参数
防爆等级标志:[Exia Ga]IIC
安全认证参数:
最小毫伏量程
4~20mA 输出时, ≤350Ω(出厂默认,可指定负载)
机壳材质 / 防护等级:阻燃ABS/IP20
适用于连接的现场设备及所处危险区域: 热电偶温度
传感器。0区、1区、2区;IIA、IIB、IIC 危险区
温度量程范围: 根据连接的传感器类型 (参见量程表)
Um = 250VAC/DC Uo = 9VDC Io =5mA
Po = 13.2W Lo = 100mH Co =1.7μF



