KJT-XW10K耐高温行程限位开关350℃
- 工作环境温度:-25~350℃
- 防护等级:IP66/IP67标准
- 触点数量:1组常开,1组常闭
- 触点容量:5A/220V
- 产品优点:耐高温、耐油、防水和防压
- 应用领域:工业机械、电力、化工、造纸、钢铁等行业
“凯基特”牌耐高温行程开关内部采用耐高温材料浇铸成的全封闭触点开关,一组常开一组常闭最大允许电流5A/AC 220V(其他电压接受预定),触点经过特殊处理后可在高温环境下长时间使用而不被氧化或污染而导致损坏。
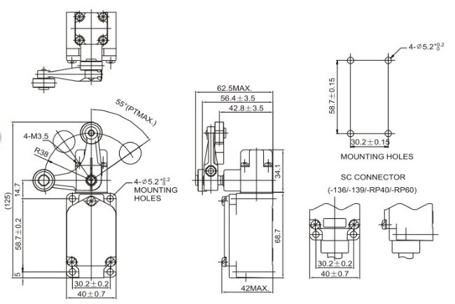
KJT-XW系列耐高温行程开关最高温度为350℃,其中可分为滚子臂型、可调杆型、压柱塞及滚轮压柱型等十多种规格,可满足不同场合使用要求。广泛使用于电力、化工、石油、纺织、钢铁等行业。

特性 Characteristics | |
操作速度 | 1mm至2m/S(AWLCA2型) , 1mm to 2m/S |
动作频率 | 机械:120次/分 电气:30次/分 , Mechanically:120 times/minute Electically:30 times/Minute |
接点电阻 | 15MΩ以下(初期) Under 15mΩ(initial) |
绝缘电阻 | 100MΩ以上(500VDC) 100mΩ above (at 500VDC) |
耐电压 | 非连续端子间1,000VAC,50/60Hz持续1分钟 |
振动 | 误动作耐久:10至55Hz,1.5mm双振幅 , Action:10 to 55Hz,1.5mm pairs swing |
冲击 | 机械耐久:1,000m/Sec2(约100G,S) |
周围温度 | 使用时:-25 至 +350℃ |
湿度 | 最大95%RH , Max 95% RH |
使用寿命 | 机械:15,000,000次以上(在额定OT值下) 电气:500,000次以上 |
重量 | 约275g(AWLCA2-2) , About 275g |
防护等级 | IEC 规格:IP66/IP67 , IEC specification:IP66/IP67 |
注:
1. 电感性负载之功率因素在 0.4 以上( AC ),时间常数在 7msec 以下( DC )。
2. 灯泡负载之突入电流为稳定状态电流之 10 倍,马达负载之突入电流为稳定电流之 6 倍
动作特性
| 动作力 OF 最大 | 1200g(11.76N) |
| 回复力 RF 最小 | -- |
| 预行程 PT 最大 | 45° |
| 超行程 OT 最小 | 10° |
| 差行程 MD 最大 | 12° |
| 动作位置 OP | -- |
| 总行程 TT | 55° |


●双回路型限动开关,用途广泛
●具坚固之一体铸造铝合金外壳
●高机械强度
●具耐油、防水和防压结构
●因装有设定位置指示板,故维护容易
●引动器种类多,方便使用
●内藏接点座有双簧片设计,机械寿命长



