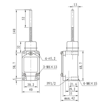
KB-5168行程开关
- 结构特点:双回路型限动开关,内藏接点座有双簧片设计,机械寿命长
- 外壳材料:具坚固之一体铸造铝合金外壳 高机械强度
- 防护等级:IP66等级防护、具耐油、防水和防压结构
- 内部结构:内藏接点座有双簧片设计、因装有设定位置指示板,故维护容易开关种类多,方便使用 用途广泛
■ 双回路型行程开关 ,稳定可靠,体积小经济实用
■由铝合金一体铸造外壳,结构坚固
■ IP66等级防护,可防水、防油和防尘结构;
■ 内藏微动开关有双簧片设计结构,机械寿命长
■ 适用于雾状、水气比较多的应用场景

| 额定电压 | 15A 250VAC |
| 操作速度 | 1mm~2m/s |
| 操作频率 | 机械:120 次/分 |
| 电气:30 次/分 | |
| 接点电阻 | 15m Ω以下 |
| 绝缘电阻 | 100Ω以上(在 500VDC以下) |
| 耐电压 | 不连续端子间:1,000VAC,50、60Hz持续一分钟 |
| 端子和接地间:2,200VAC,50、60Hz,持续一分钟 | |
| 端子和无载电流金属之间:2,200VAC,50/60Hz持续一分钟 | |
| 振动 | 动作耐久:10~55Hz,1.5mm 双振幅 |
| 冲击 | 机械耐久:1000m/s2以上 (约100G以上) |
| 误动作耐久:300m/s2 以上(约30G以上) | |
| 使用周温 | -10~+80 ℃ |
| 湿度 | 最大 95%RH |
| 使用寿命 | 机械:1,500万次以上 电气:50万次以上 |
| 防护等级 | IEC:IP66 |
| 重量 | 约258g |

| 型号 | KB-5101 | KB-5102 KB-5103 | KB-5104 | KB-5107 | KB-5108 | KB-5109 | KB-5106 KB-5166 KB-5168 KB-5169 | KB-5105 |
| OF最大 | 2720g | 2720g | 1000g | 1420g | 1360g | 2720g | 150g | 1200g |
| RF最小 | 910g | 910g | 227g | 280g | 227g | 910g | - | - |
| PT最大 | 1.7mm | 1.7mm | 20° | 20° | 20° | 1.7mm | 28mm | 227g |
| OT最小 | 6.4mm | 5.6mm | 70° | 70° | 70° | 4mm | - | 55° |
| MD最大 | 1mm | 1mm | 10° | 10° | 10° | 1mm | - | 35° |
| OP | 34 ± 0.8mm | 44.8± 0.8mm | - | - | - | 44.5 ± 0.8mm | - | 90 ± 10 ° |





