KJT-TBF系列安全光栅(安全光幕),防护等级IP68,可在水下正常工作,搞光/电磁干扰强,低功耗设计响应时间短。可靠性高,使用放心

| 光轴间距 | 10mm | 20mm | 30mm | 40mm | |
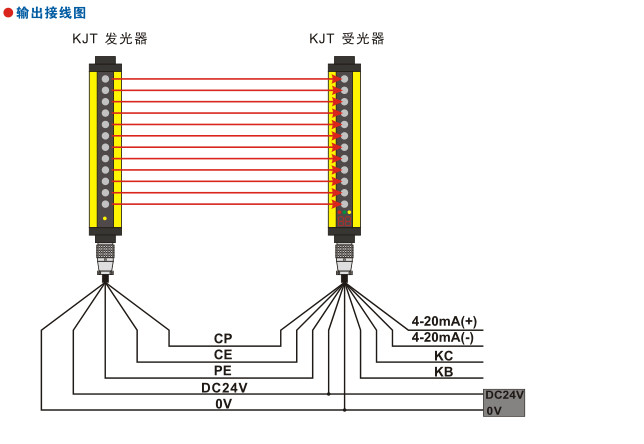
| 光栅类型 | 测量型安全光栅 | ||||
| 界面尺寸 | 30mmx50mm | ||||
| 产品颜色 | 黄色 | ||||
| 防护等级 | IP65/IP67(可选) | ||||
| 供电电压 | DC24V士10% | ||||
| 响应时间 | ≤10MS | ||||
| 信号输出 | NPN/PNP/继电器 | ||||
| 同步类型 | 线同步 | ||||
| 光轴数量 | 4-72束 | ||||
| 保护高度 | 40mm-2000mm | ||||
| 保护距离 | 0-30000mm | ||||
| 光幕形式 | 对射型 | ||||
| 抗干扰能力 | 10000Lux | ||||
| 外形材质 | 铝合金 | ||||
| 电路保护 | 反接保护/输出短路保护 | ||||
| 消耗功耗 | 3-8W | ||||
| 工作温度 | 一15℃+65℃ | ||||
| 环境温度 | 20℃ RH≤85% | ||||
| 介电强度 | DC30v 5A | ||||
| 绝缘电阻 | >100mΩ | ||||





