KJT-MR 441-11Y
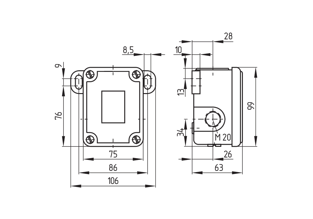
- ● :2 个电缆入口 M 20 x 1.5
- ● :执行器可重新定位 90°
- ● :金属外壳
- ● :106 毫米 x 99 毫米 x 63 毫米(基本组件)
- ● :防护等级IP65
凯基特重型限位开关是一种机械控制开关,有输送带防跑偏用、吊车过卷保护用、拉绳开关用等形式。发挥其高可靠性,被广泛应用在钢铁设备、大型输送机械、装卸机械和水泥设备上。耐恶劣环境。玻封接点中充填了惰性气体

| 产品参数 | |
| 型号 | MR 441-11Y |
| 作用原理 | 机械的 |
| 外壳原材料 | 灰口铸铁,镀锌 |
| 触点材料 | 银 |
| 总重量 | 1,452g |
| 常闭数量(NC) | 1 |
| 常开数量(NO) | 1 |
| B 10D常闭触点 (NC) | 2,000,000 次操作 |
| 执行元件 | 滚柱柱塞 |
| 滚筒材质 | 塑料 |
| 机械寿命 | 5,000,000 次操作 |
| 动作角度, 从开关轴左侧算起 | 30° |
| 动作角度, 从开关轴右侧算起 | 30° |
| 接触开路 | 2×2.5mm |
| 最小驱动速度 | 1mm/分钟 |
| 最大动作速度 | 0.5m/秒 |
| 注意 | 动作速度:垂直驱动角度切换轴的驱动速度 |
| 电路连接 | 螺丝连接 M20 x 1.5 |
| 最小电缆截面 | 1.5mm² |
| 最大电缆截面 | 2.5mm² |
| 注意 | 电缆部分:包括导体套圈 |
| 线材截面 | 13 AWG |
| 产品尺寸 | |
| 长宽高 | 63mm*106mm*145mm |
| 脚轮宽度 | 6.5mm |
| 脚轮直径 | 25mm |
| 应用环境条件 | |
| 防护等级 | IP65 |
| 环境温度 | -30 ... +90°C |
| 额定绝缘电压 | 250 VAC |
| 额定冲击耐受电压 | 4kV |
| 电气数据 | |
| 热测试电流 | 16A |
| 应用类别 | AC-15: 250 V / 4 A |
| 开关元件 | 常开触点、常闭触点 |
| 开关原理 | 快速动作 |
| 最大弹跳持续时间 | 5 ms |
| 最大切换时间 | 35 ms |




注意 开关行程图 触点闭合 触点打开 设置范围 断点 肯定打开顺序/角度VS NO 触点调节范围 VÖ NC触点可调节范围 N 行程后 |
