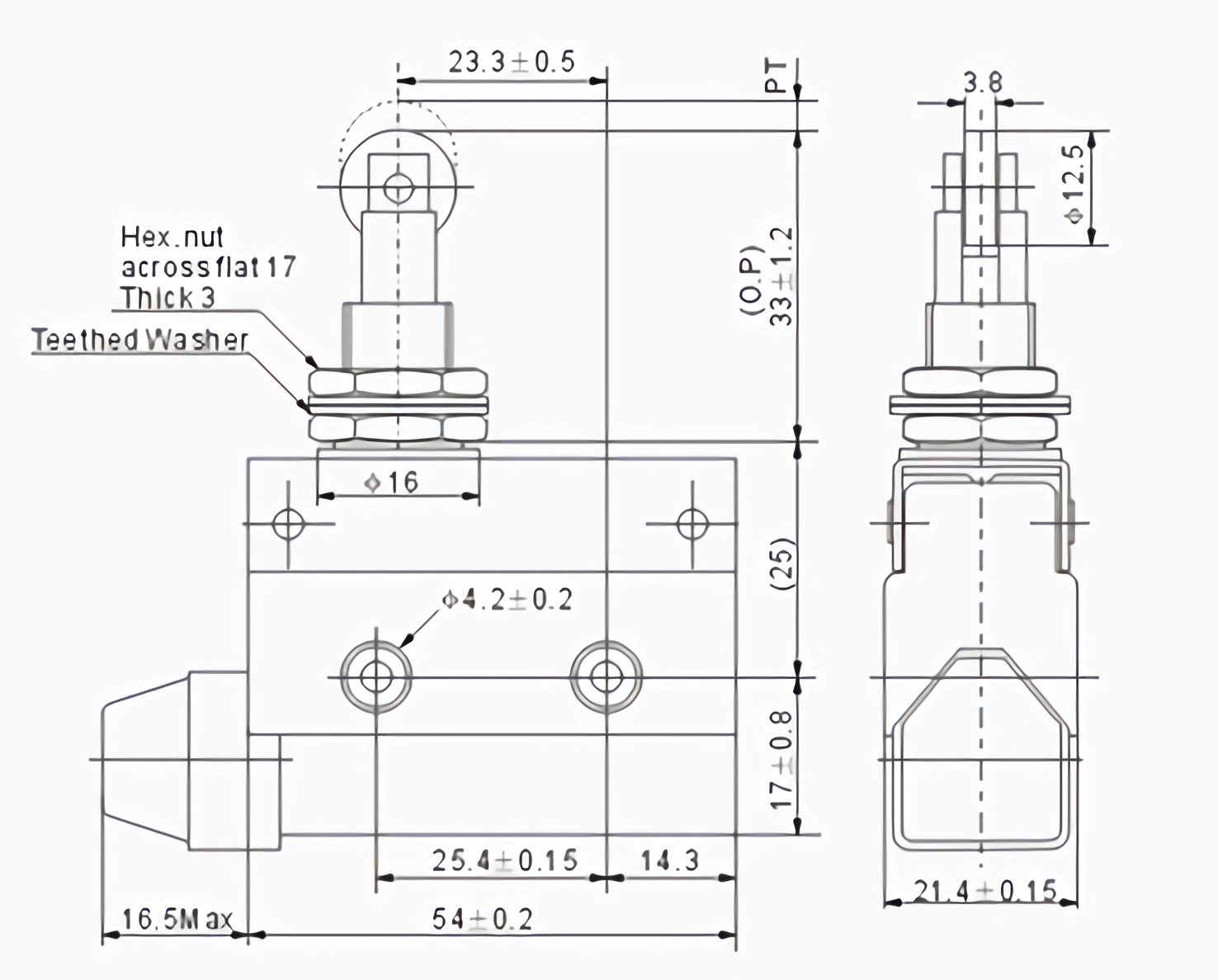
短推压塞柱型AZ7311L
- ●:引动器种类多,且有动作位置可调整之设计
- ●:外壳包覆强化塑胶、防水、防油
- ●:型微动开关有更高的机械强度,耐冲击
- ●:前移机有多种分类,动作位置可调
- ●:外壳覆盖塑料,防水耐油,承受打击
引动器种类多,且有动作位置可调整之设计。外壳包覆强化塑胶、防水、防油。型微动开关有更高的机械强度,耐冲击。前移机有多种分类,动作位置可调。外壳覆盖塑料,防水耐油,承受打击。

额定值
| 电压额定电压 | 非电感性负载 非电气携带 | 电感性负载(A) | ||||||
| 电阻性负载 阻力桨 | 灯泡负载 灯泡携带 | 电感性负载 电气 携带 | 马达负载 电机携带 | |||||
| 数控 | 不 | 数控 | 不 | 数控 | 不 | 数控 | 不 | |
| 125伏交流 250交流 480伏交流 | 10 10 3 | 3 2.5 1.5 | 1.5 1.25 0.75 | 10 10 2.5 | 5 3 1.5 | 2.5 1.5 0.75 | ||
| 8V 直流 14V 直流 30V 直流 125V 直流 250V 直流 | 10 6 8 0.5 0.25 | 3 3 3 0.4 0.2 | 1.5 1.5 1.5 0.4 0.2 | 6 6 6 0.05 0.03 | 6 6 5 0.05 0.03 | 5 5 2.5 0.05 0.03 | ||
注:
1、电感性负载:功率因素=0.4,时间常数=7毫秒。
2、灯泡负载之突入电流为稳定状态之10倍。马达负载之突入电流为稳定状态电流之6倍。
备注:
1.电气承载:功率因数=0.4.时间常数= 7毫秒.
2.灯泡承载电流是稳定状态下的10倍。电机承载电流是稳定状态下的6倍。
特性 特点
| 操作速度运行速度 | 0.01毫米至50厘米/秒(锁住塞型) , 0.01毫米至50厘米/秒 |
| 动作频率动作频率 | 120次/分 , 120次/分钟 |
| 接点电阻接触电阻 | 15MΩ以下(初期) , 低于15mΩ(初始) |
| 绝缘电阻绝缘电阻 | 100MΩ以上(在500VDC以下) , 100mΩ 以上 (500VDC 以下) |
| 耐电压轴承电压 | 非连续端子间1,000VAC,50/60Hz持续1分钟载电流与无载电流零件间与端子和接地之间1,500VAC,50/60Hz持续1分钟非接触端:1,000VAC,50/60Hz持续一分钟 当前零件和非当前零件以及末端和连接位置:1,500VAC,50/60Hz持续一分钟 |
| 振动 振动 | 误动作耐久:10至55Hz,1.5mm双振幅 动作:10至55Hz,1.5mm对摆动 |
| 冲击 击打 | 机械耐久:1,000m/sec2(约100G,S) 误动作耐久:300m/Sec2(约30G,S)机器:1,000m/Sec2(约100G 动作:300m/sec2(约30G ,S) |
| 周围温度 环境温度 | 使用时:-10 至 +80°C |
| 湿度湿度 | 95%相对湿度以上 , 95%相对湿度以上 |
| 使用寿命使用寿命 | 机械:10,000,000次以上(在额定OT值下) 电气:500,000次以上机械:10,000,000次以上(额定OT) 电气:500,000次以上 |
| 重量重量 | 约60g , 约60g |
| 防护等级 保护结构 | IEC 规格:IP65 ,IEC 规范:IP65 |
动作特性
| 型号型号 | AZX7100L | AZX7110L | AZX7310L | AZX7311L | AZX7312L | AZX7120L | AZX7140L | AZX7121L | AZX7141L | AZX7124L | AZX7144L | AZX7166L |
| 最大(最大) | 600克 | 600克 | 600克 | 600克 | 600克 | 150克 | 220克 | 180克 | 240克 | 200克 | 280克 | 120克 |
| 射频最小(最小) | 100克 | 100克 | 100克 | 100克 | 100克 | 40克 | 60克 | 50克 | 80克 | 60克 | 100克 | |
| PT 最大(最大) | 2.0毫米 | 2.0毫米 | 2.0毫米 | 2.0毫米 | 2.0毫米 | 13.5毫米 | 8.5毫米 | 11毫米 | 6.5毫米 | 11毫米 | 6.5毫米 | 250毫米 |
| OT 最小(最小) | 0.8毫米 | 5.0毫米 | 6.0毫米 | 6.0毫米 | 6.0毫米 | 4.0毫米 | 2.5毫米 | 3.0毫米 | 2.0毫米 | 3.0毫米 | 2.0毫米 | 11毫米 |
| MD 最大(最大) | 0.8毫米 | 0.8毫米 | 0.8毫米 | 0.8毫米 | 0.8毫米 | 3.2毫米 | 2.0毫米 | 2.4毫米 | 1.5毫米 | 2.4毫米 | 1.5毫米 | |
| OP | 30.5±0.8毫米 | 44±1.2毫米 | 21.8±1.2毫米 | 33.3±1.2毫米 | 33.3±1.2毫米 | 25±1毫米 | 25±1毫米 | 40±1毫米 | 40±1毫米 | 50±1.2毫米 | 50±1.2毫米 | |
| FP | 35毫米 | 32毫米 | 46毫米 | 56毫米 |





